6月24日,国家能源局山东监管办公室发布关于征求《山东省新能源和新型并网主体涉网安全能力提升工作方案》意见的函。
方案指出,纳入涉网安全管理范围的新能源和新型并网主体(以下简称并网主体)包括并入电网的各类集中式风电、集中式光伏、分散式风电、分布式光伏、新型储能、虚拟电厂、分布式智能电网及源网荷储一体化项目等。
并网主体涉网设备包括但不限于风力发电机、光伏逆变器、储能变流器、静止无功补偿器(SVC)、静止无功发生器(SVG)、调相机等一次系统设备,自动发电控制(AGC)、自动电压控制(AVC)、有功及无功控制系统、继电保护及安全自动装置、相量测量装置(PMU)及通信、自动化及网络安全设备等与涉网安全相关的二次系统设备。
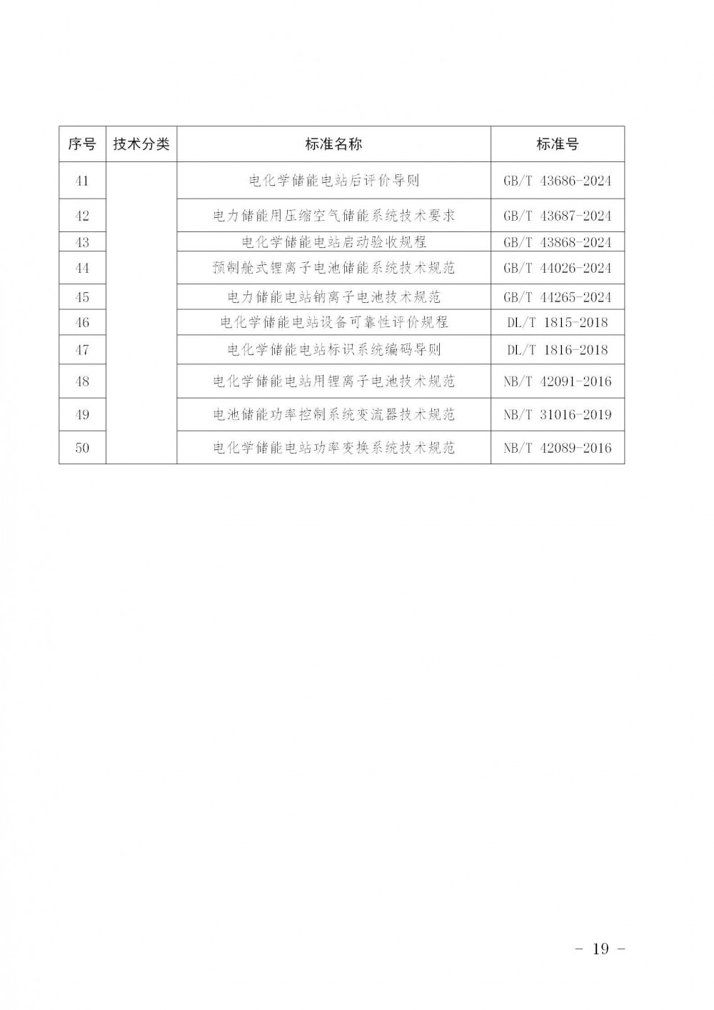
并网主体应满足《电力系统安全稳定导则》(GB38755-2019)、《电网运行准则》(GB/T31464-2022)、《电力系统网源协调技术导则》(GB/T40594-2021)以及风电、光伏、储能等相关国家标准及行业标准最新规定要求(相关执行标准参照附件2主要标准清单),满足电网安全稳定运行对新能源和新型并网主体的涉网性能要求。虚拟电厂、源网荷储一体化项目、分布式智能电网等内部接入的电源,要按照并网电源要求进行涉网安全管理,应满足对应电源类型的涉网安全要求。远端汇集(大基地等)的集中式新能源除满足国家相关涉网性能要求外,还应具备快速调频调压、抑制宽频振荡等支撑能力,必要时配置调相机等装置,防止大规模脱网。
电网企业要坚持统一调度、分级管理,组织纳入涉网安全管理范围的并网主体签订并网调度协议,其中10千伏及以上并网主体由相应电力调度机构组织签订并网调度协议,380/220伏电压等级并网的分布式光伏应在购售电合同中明确并网调度管理相关条款。电力调度机构在与虚拟电厂签订并网调度协议时,应通过能力测试,根据聚合可调节资源类型的不同,将聚合可调节资源划分为一个或多个虚拟电厂机组。
全文如下:
关于征求《山东省新能源和新型并网主体涉网安全能力提升工作方案》意见的函
各有关新型并网主体、有关设备厂商:
为深入贯彻落实国家能源局《关于提升新能源和新型并网主体涉网安全能力??服务新型电力系统高质量发展的通知》工作要求,进一步加强山东省新能源和新型并网主体涉网安全管理,山东能源监管办会同山东省能源局研究起草了《山东省新能源和新型并网主体涉网安全能力提升工作方案》,请各单位结合工作实际研提意见,于6月27日下班前将修改意见反馈至邮箱,逾期未反馈视为无意见。
联系人:李恒,0531-67800966
邮箱:safety@cnea.gov.cn
附件:山东省新能源和新型并网主体涉网安全能力提升工作方案.docx
Yle="text-align: right;">国家能源局山东监管办公室
2025年6月24日






















