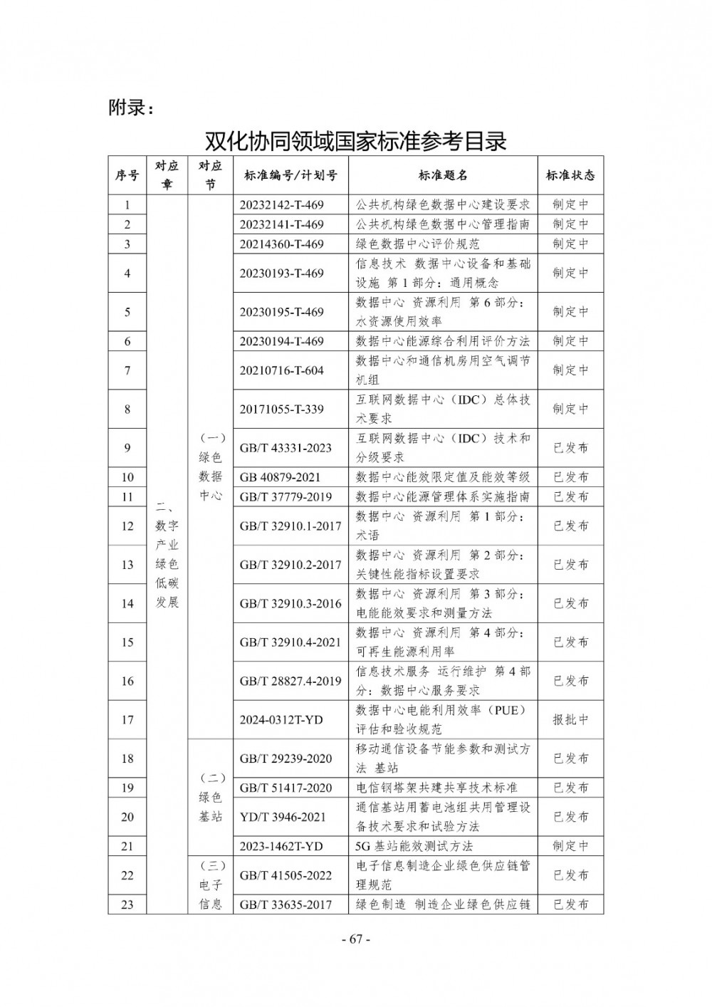
当前位置: 主页 > 国内资讯 > 光伏

事关风电、光伏!中央十部门发文!

发布时间:2024-08-28 人气: 来源: 关键词:

近日,中央网络安全和信息化委员会办公室秘书局、国家发展和改革委员会办公厅、工业和信息化部办公厅、自然资源部办公厅、生态环境部办公厅、住房和城乡建设部办公厅、交通运输部办公厅、农业农村部办公厅、国家市场监督管理总局办公厅、国家数据局综合司等十部门发布关于印发《数字化绿色化协同转型发展实施指南》的通知。

文件指出,整合调节资源,提升算力与电力协同运行水平,提高数据中心绿电占比,降低电网保障容量需求。探索光热发电与风电、光伏发电联营的绿电稳定供应模式。

推进数据中心绿色微电网建设,支持数据中心自建屋顶分布式光伏发电配套系统,逐步推动模块化氢电池、光热发电等在小型或边缘数据中心的规模化应用,探索数据中心多元化储能和备用电源装置应用。支持数据中心以梯次利用动力电池进行削峰填谷用能,避免与用电高峰重叠。

文件还提出,数字新能源服务产业。以大型电网企业为核心,互联网企业、能源设备企业、地方能源企业、节能服务公司等市场主体共建数字新能源产业生态。深化应用推广新能源云,持续优化完善服务功能,推进新能源设备—厂商—电站—业主的互联互通,推动源网荷储各环节和产业链上下游协同发展,打造新型能源数字经济平台。发展新能源智能调度新业态,开发源网荷储协同调控系统、“风光水火储”多能互补协同调控系统,有效实现可再生能源高效集成与智慧管控、用能需求智能调控,精准匹配供需资源,提升可再生能源消纳水平。

数字智慧风电产业。围绕风电新能源产业发展,布局数字孪生 5G 风电场技术应用,加强风力、风向、轴承转速、温湿度、电压电流等核心环节数据采集、传输与应用,发展孪生监管与发电预测业务,全面提升风电产业智能化运维水平。面向海上风电场,加速近海 5G 基站覆盖,发展海上机器人、无人智能巡逻艇等配套产业,开展海上风场远程数据不间断传输和无人智能巡检等应用,保障海上风场安全可持续生产,助力风电产能持续升级。

数字光伏产业。发展 5G+工业互联网应用,优化光伏切片生产流程,规范单晶硅棒生产过程,提升叠层电池利用效率。推广电站 5G 无人巡检、积灰灵敏感知物联网、光伏电站精准天气预报等融合技术应用,完善光伏产业智能功率预测、智能场站运营等功能,有效降低光伏发电弃光造成的损失,全面提升光伏电站发电效能。基于 5G、物联网和人工智能等技术,优化光伏发电与储能的数据共享,实现光伏发—输—储—配—用全链条可视、可管、可控。

原文如下:

关于印发《数字化绿色化协同转型发展实施指南》的通知

各省、自治区、直辖市、计划单列市及新疆生产建设兵团党委网信办、发展改革委、工业和信息化主管部门、自然资源主管部门、生态环境厅(局)、住房城乡建设厅(局、委)、交通运输厅(局、委)、农业农村(农牧)厅(局、委)、市场监管局(厅、委)、数据局:

为更好指导部门、地方、社会组织、企业等开展数字化绿色化协同转型发展工作,中央网信办、国家发展改革委、工业和信息化部、自然资源部、生态环境部、住房城乡建设部、交通运输部、农业农村部、市场监管总局、国家数据局等部门组织编制了《数字化绿色化协同转型发展实施指南》(以下简称《实施指南》)。现将《实施指南》印发你们,供推进数字化绿色化协同转型发展工作时参考使用。

各地区在使用本指南时,要聚焦推动高质量发展、加快发展新质生产力,充分把握好自身在区域、产业发展中的定位,立足自身资源禀赋,积极打造特色产业和功能优势,加快数字化绿色化协同发展,推进能源资源、产业结构、消费结构转型升级,推动经济社会绿色发展。

附件:数字化绿色化协同转型发展实施指南.pdf

中央网络安全和信息化委员会办公室秘书局

国家发展和改革委员会办公厅

工业和信息化部办公厅

自然资源部办公厅

生态环境部办公厅

住房和城乡建设部办公厅

交通运输部办公厅

农业农村部办公厅

国家市场监督管理总局办公厅

国家数据局综合司



资讯来源:

免责声明: 本站内容转载自合作媒体、机构或其他网站的信息,转载此文仅出于传递更多信息的目的,但这并不意味着赞同其观点或证实其内容的真实性。本站所有信息仅供参考,不做交易和服务的根据。本站内容如有侵权或其它问题请及时告之,本网将及时修改或删除。凡以任何方式登录本网站或直接、间接使用本网站资料者,视为自愿接受本网站声明的约束。

上一篇:5GW异质结电池片与10GW组件项目延期!
下一篇:暂无